Products
更新時間:2025-03-13
瀏覽量:2099
產品介紹
Pyrocam 相機使用其寬帶陣列準確捕獲和分析 13nm - 355nm 和 1.06-3000μm 的波長。它具有固態高分辨率陣列,具有寬動態范圍、快速數據捕獲率,并以 CW 或脈沖模式運行,這使其成為分析 NIR、CO2 和 THz 源的理想選擇。
高分辨率 80μm 像素間距
CW 光束集成斬波器
適用于各種應用的可互換窗口
包含 BeamGage 專業軟件
帶 BeamGage 的第 4 代高分辨率寬帶熱釋電陣列相機
| 波長 | 13-355nm, 1.06-3000μm |
| 光束尺寸 | 1600μm - 25.4mm |
| 界面 | 千兆以太網 |
| 傳感器類型 | 熱釋電陣列 |
| 兼容光源 | CW,脈沖 |
| 活動區域 | 25.6 毫米 x 25.6 毫米 |
| 元素 | 320 × 320 |
| 有效像素間距 | 80微米 |
| 動態范圍 | 60分貝 |
| 全分辨率幀率 | 100 幀/秒 |
| 遵守 | CE、UKCA、中國 RoHS |
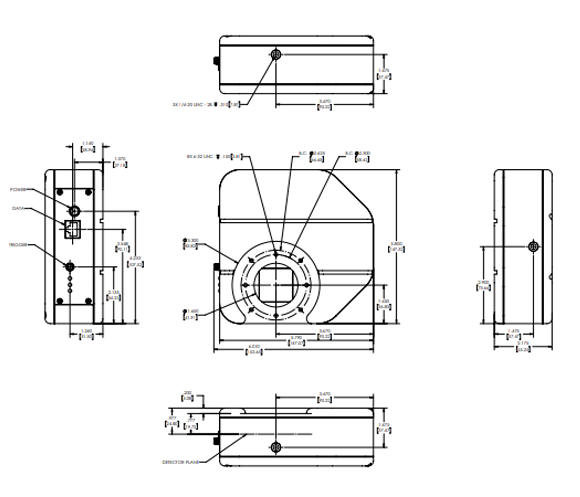
相機前端到傳感器的距離是多少?傳感器以 19.7mm 為中心,但是,如果其放置精度至關重要,可根據要求提供測量值。
PY IV相機的飽和度是多少?Pyrocam IV 在斬波模式下的飽和功率為 3.0W/cm2 (25Hz) 和 4.5W/cm2 (50Hz),脈沖模式下的飽和能量為 15mJ/cm2。
Pyrocam IV 在什么波長下響應快?
![]()
Pyrocam IV 的幀率是多少?25/50Hz 斬波模式,SS-100Hz 連續脈沖模式,高達 1kHz 非連續脈沖模式
BeamGage 規格表中列出的有效幀速率是實際使用中通常可達到的極大速率。幀緩沖、圖像處理技術、圖形顯示和數學計算都會增加一定程度的開銷以實現更高的幀速率。這可能會受到可用 PC 硬件的進一步限制。BeamGage 具有兩種模式,幀優先級和結果優先級,它們改變了系統平衡工作的方式。結果優先獲取一個幀,執行任何啟用的圖像處理,執行所有計算并在接受來自相機的另一個幀之前更新圖形顯示。當不需要幀的時間序列并且在記錄時應始終啟用時,此模式很有用。如果在這些操作完成之前從相機準備好另一幀,幀優先模式將允許中斷計算和圖形顯示更新。當需要以極大相機幀速率收集所有幀時,這可能很有用。
我可以使用 Pyrocam IV 測量哪些光束尺寸?1.6mm - 25.1mm 準確的極小光束尺寸由相機的像素尺寸得出。為了獲得準確的測量,像素必須有足夠的覆蓋范圍,以確保照亮另一個像素不會過度夸大光束大小。
QQ在線客服
客服熱線:
技術支持